
一.產品詳情:
EG-45EX型防爆礦用電動油脂泵是一種結構合理、性能優良、能輸出高壓油脂的小型柱塞式油泵。可與遞進式分配器,雙線分配器,外置控制器等
相關附件組成集中潤滑系統,可對各個潤滑點定時、定量、自動給油。可以增加配置液位監控,壓力監控等功能。適用于對潤滑要求較高的各類
機械設備潤滑。系統可以集成到控制柜內,具有防塵、防雨,保溫的作用.廣泛應用于礦山、煤礦、石油、化工等具有防爆要求的場合。
二.性能特點:
·該泵有1-5個注油單元,同時獨立工作,也可以多油口合并一起供油,出油流量大,每個出口可以單獨接遞進式分配器,或者向各個潤滑點直接供油。
·出油口均可選配耐震壓力表,便于觀察潤滑系統是否正常工作,及時發現故障,確保主機設備正常運轉.
·出油口都配有安全溢流閥,能很好的保護潤滑系統的正常使用。
三. 技術參數:
型號
EG-45EX
電壓
380VAC或者660VAC
排量
5ML-20ML/MIN
壓力
25MPA
油罐容積
5-15L
油罐材質
透明有機玻璃,鋁合金,鋼
防爆等級
EXDIIBT4 或EXDIICT4
功率
120W和180W
液位開關
選配
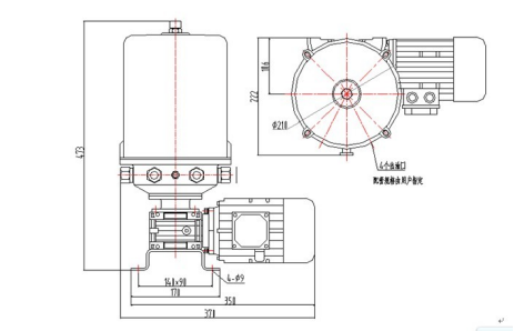
四.安裝尺寸:
五.應用案例
魯ICP備13005073號-1 煙臺鼎元機械設備有限公司 免責聲明
