
分類
片式組合遞進式分配器根據排量的不同可以分為:
1000型遞進式潤滑分配器(標準排量:0.08ml/cyc~0.48ml/cyc)
2000型遞進式潤滑分配器(0.16ml/cyc~1.12ml/cyc),
3000型遞進式潤滑分配器(0.4ml/cyc~4.8ml/cyc),
4000型遞進式潤滑分配器
M2500型遞進式潤滑分配器幾種系列。
優點:
1.組合靈活,可以有不同的出口和多種排油量,適合不同的潤滑系統。
2.便于故障監控,只要監測一個點,就可以確定整個分配器的運行狀況。
3.排油壓力高,可以正向傳送系統壓力,不易堵塞。
4.各點逐一供油,泵的配置不需要太大。
5.分配器用材料廣泛,有碳鋼,不銹鋼,鋁鎂合金。
原理:
片式遞進柱塞分配器是由不同排油量和出口數的單元組合而成,通過液壓順
序控制配油,分配器柱塞的運動受供給的潤滑油支配,這種支配方式使得潤
滑油依次從各個出口排出。
P2000型潤滑分油器可以配置微動開關由指示銷驅動,實現系統的檢測。該裝
置可以安裝在二級分配器上實現監測.
P2000型遞進式油量分配器可以用于高壓和寬溫度變化的工況,它能夠與手
動、電動、氣動泵等組成單線潤滑系統,是用于各種中型機床和塑料機械設備,
或大型單線潤滑系統的子分配器,以及相似應用場合的理想產品。
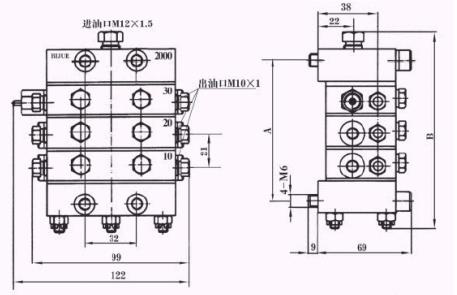
2000型遞進式分配器技術參數
1. 最大工作壓力:25MPa
2.標準排量:0.16ml/cyc~1.12ml/cyc
3.適用潤滑劑范圍(在標準溫度下):潤滑油≥N68 號,潤滑脂 NLGI000#~
2#
4.工作環境溫度:-20℃~+60℃(低溫時應使用防凍脂)
5.裝有機械式循環指示器的柱塞副循環速率高:60cyc/min
6.柱塞副循環速率高:200cyc/min
7.每組分配器工作片數:3~10 片
8.每組分配器可供潤滑點數:3~20 點
9.分配器輸出的管徑與長度:Φ6mm 長 1.2~3.5m Φ8mm 長 1.5~4.5m
2000型分配器的應用:



魯ICP備13005073號-1 煙臺鼎元機械設備有限公司 免責聲明
